产品简介
LDC系列插入式电磁流量计是在管道式电磁流量计的基础上发展起来的一种流量仪表,针对管道式电磁流量计在管道上安装困难,费用大等缺陷,特别是采用带压开孔、带压安装技术后,插入式电磁流量计可在不停水的情况下安装,也可以在铸铁管道、水泥管道上安装。
传感器原理
传感器实际上是一种液体流速测量仪表。它是应用法拉第感应定律的原理制成的流速测量仪表。图1 是插入型流量计基本工作原理的示意图。用长杆将小的电磁流量传感器插入到被测量管道中规定位置,导电流体垂直流过传感器工作磁场时(转换器向传感器提供励磁电流时,在励磁线圈构成的励磁系统中产生工作磁场),相当导体在磁场中作切割磁力线运动。根据法拉第感应定律,在导体的两端产生感应电动势。感应电动势由接触流体的一对电极来检测。电动势的大小与磁感应强度B、两极间距离L 和流体的平均流速呈正比。即 E=B·L·V(伏)
式中:E——感应电动势,V; B——磁场强度,T; L——两电极间距离,m;、V——流过传感器的流速(亦即代表被测管道规定插入点的质点流速),m/sK——系数。

电路工作原理

结构组成

产品特点
1、插入式电磁流量计在管道流量检测中,安装简单,可不断流,现场可带压开孔,具有Jue对的安装优势与价格优势。特别 适用于供排水管道的流量测量;
2、通用性广,互换性强。一种型号就可适用于各种规格管道的流体测量要求。可与任何标准二次仪表连接;
3、正反流向计算功能。用户可选择正向计量或反向计量(出厂为正向计量);
4、上下限报警。用户可根据需要设定上下限瞬时流量,当流量超过上限或下限设定值时可配蜂鸣器报警或继电器输出(用 户可选);
5、空管报警。在工作状态下,当流量计测量管内空管,瞬时流量为零,右上角显示报警;
6、断电保护,流量计的运算结果和用户设定的参数在断电后不会丢失,EEPROM可保存设定参数和累积值;
7、小信号切除功能,从而切除干扰小信号;
8、转换器和传感器具有多种防护等级及安装方式,有适用于潜水安装的IP68。
技术参数
| 公称通径(mm) | DN100~700 |
| 流速范围 | 0.5m/s-10m/s |
| 精度 | ±1.5%FS;±2.5%FS;±5.0%FS; |
| 电导率 | ≥20μs/cm |
| 直管段 | 前10DN,后5DN |
| 介质温度 | -20℃~+90℃ |
| 环境温度 | -20℃~+60℃ |
| 耐压 | 1.6MPa |
| 防护等级 | IP65(一体),IP68(分体) |
| 电极材质 | 316L不锈钢 |
| 输出信号 | 4-20mA;RS485;Hart协议;Modbus协议; |
| 传感器材质 | 不锈钢 |
| 工作电源 | 220VAC,允差15%或24VDC,纹波≤5% |
| 功率 | 6.5W |
| 耐压等级 | ≤1.6MPa |
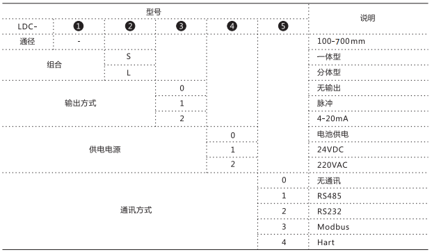
插入式电磁流量计选型型谱

插入式电磁流量计安装要求
1、安装位置要求

①选择介质满管位置;
②电极连线垂直水流方向;
③在水平管道上安装时,垂直向上安装或者垂直<45°安装;
2、附近有阀门安装要求

①阀门离仪表附近情况下,尽量安装在仪表后侧;
②阀门安装在仪表前端的情况下,尽量离流量计>20D
3、直管段要求

上游10倍口径直管段,下游5倍口径直管段,可正常测量。
4、插入式电磁流量计错误安装
①应避免管道内气体;
②应避免安装在管道***高点;
③应避免安装在水流向下自由出口的垂直管道上;




