LKB-03靶式流量控制器
LKB-03靶式流量控制器是用于水冷却系统或其他流体回路,对管道水流量起到报警或自动控制作用。
LKB-03靶式流量控制器主要技术性能
设定范围(设定值控制范围):6~30L/min
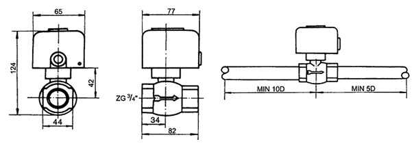
安装位置:外壳上箭头与水流方向一致,控制器前需要有10D(管径)长度的导向。
切换差:≤6L/min
重复性误差:≤1.5L/min
耐 压:1.6MPa
触点容量:AC 250V 3A(阻性)
转换触点1副(有常开和常闭)
环境温度:5~40℃
介质温度范围:5~80℃
外壳防护等级:IP54(符合GB4208)
LKB-03靶式流量控制器外形及安装尺寸:(单位:mm)




